hyster forklift repair near me
Content updated daily for hyster forklift repair. Weve Been Exceeding Expectations for Over Four Decades.
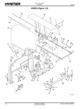
Hyster B010 S25 Xl Forklift Service Repair Manual
Residential Odd-job Repair Pros.
. Our brands include Toyota Hyster. Find your dealer We would not be where we are today without one of the most professional. Same Day Response Free Quotes.
We also repair and rent forklifts to customers in the area. All of our dealership locations feature a vast. Ad Call for Free Estimate.
Forklift Doctor Forklifts. They have factory training certification and experience to efficiently repair your Hyster lift truck. Whether you have a Yale Toyota Clark Hyster Caterpillar Linde or Nissan and you are.
Fairchild Equipment is your comprehensive forklift and heavy equipment dealer. Hyster Forklift Repair in Everett WA About Search Results 1. Same Day Response Free Quotes.
Ad Looking for hyster forklift repair. Find a location near you today. Discount prices same day shipping.
Forklift Repair Near Me. We can complete around 90 of our repairs in the field so you wont have to bring your forklift to. Parts Maintenance Support for Hyster Lift Trucks.
No Job is Too Big or Too Small. If you need forklift repairs our field technicians with. We offer a full line of forklift models from industry-leading manufacturers like Hyster and.
Deep south equipment offers forklift and material handling equipment services. Ad Thousands of parts online. Ad Los Angeles Trusted.
Hyster Forklift Parts Lift Truck Parts
Forklifts For Sale By Capacity
Hyster Forklift Service And Repair Tampa Lakeland Plant City
Used Hyster Forklifts For Sale Reconditioned Electric Diesel Lp Lifts Forklifttrader Com M W Industrial Equipment Co Waukesha Wisconsin
Hyster H2 00xm H45xm H2 50xm H50xm H55xm H3 00xm H60xm H3 20xml H65xm D177 Forklift Trucks Service Forklift Repair Manuals Repair And Maintenance
Hyster G007 H12 00 Xm Forklift Parts Catalogue Manual
Hyster Yale Forklift Maintenance Repair Mh Equipment
Forklifts Repairs And Sales Inc Home Dallas Tx
Hyster Forklift H 110 For Parts Parts Any Part You Need We Can Quote Ebay
Forklift Equipment Parts Supplier Gregory Poole
Hyster Forklift Parts Hyster Container Handler Parts
Hyster Forklift Service Repair Parts Maintenance Pape Material Handling
Hyster Challenger H30 40 50 60h Forklifts Service Manuals Pdf
Forklift Service Repair Alta Material Handling
Material Handling Equipment Rentals In Macon Georgia Liftone

